Motor Headlight Dim . if your car has a headlight with about as much light as a flashlight, learn two methods to repair dim headlights here. if you notice one of your headlight bulbs seems dim or that the light from your vehicle doesn’t seem as bright or clear as it. in this article, we’ll discuss five reasons why you have dim headlights, five possible fixes for dim headlights, explore the difference between leds and. dim headlights are a common issue faced by many drivers, and they can significantly impact visibility and safety on the road. when driving at night on the road, but unable to see the headlights, it could be due to the following possible.
from www.seekic.com
if you notice one of your headlight bulbs seems dim or that the light from your vehicle doesn’t seem as bright or clear as it. in this article, we’ll discuss five reasons why you have dim headlights, five possible fixes for dim headlights, explore the difference between leds and. dim headlights are a common issue faced by many drivers, and they can significantly impact visibility and safety on the road. when driving at night on the road, but unable to see the headlights, it could be due to the following possible. if your car has a headlight with about as much light as a flashlight, learn two methods to repair dim headlights here.
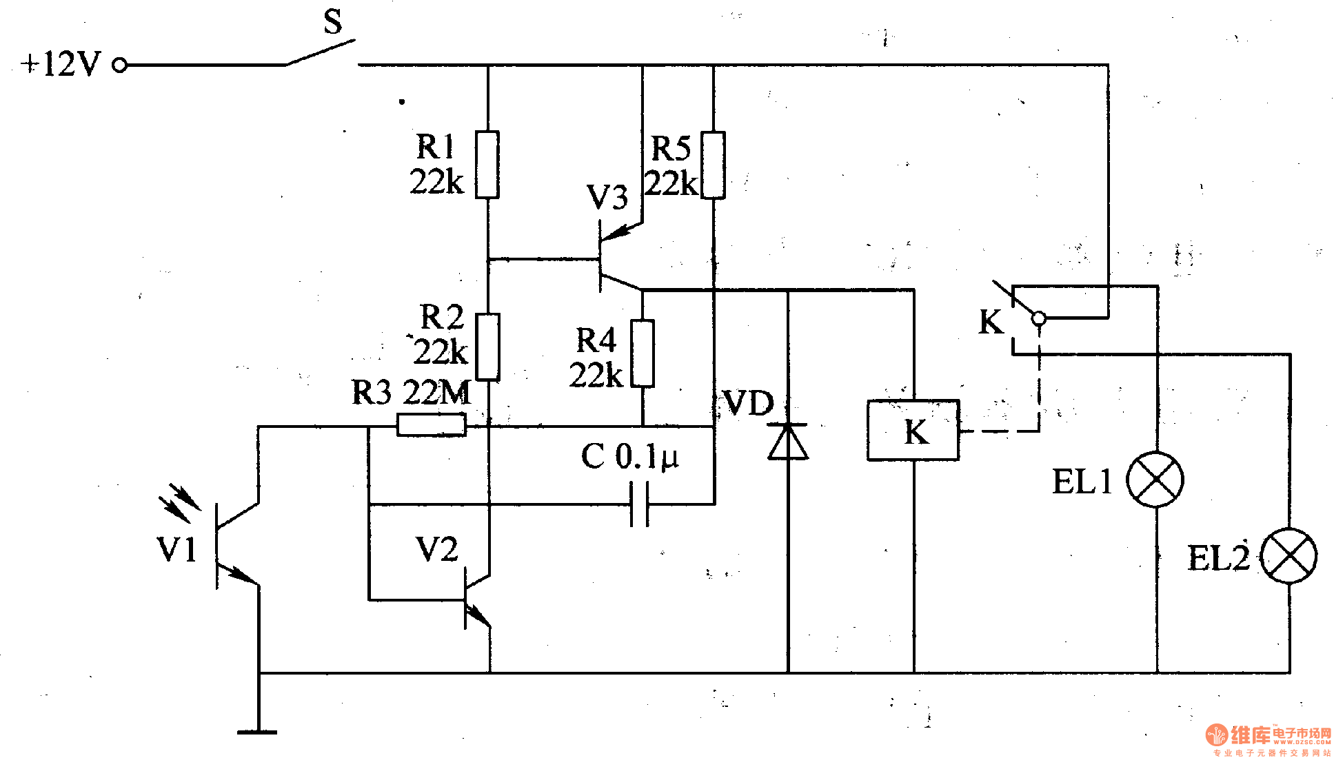
The motor vehicle headlight autodimming controller Light_Control
Motor Headlight Dim in this article, we’ll discuss five reasons why you have dim headlights, five possible fixes for dim headlights, explore the difference between leds and. when driving at night on the road, but unable to see the headlights, it could be due to the following possible. in this article, we’ll discuss five reasons why you have dim headlights, five possible fixes for dim headlights, explore the difference between leds and. if your car has a headlight with about as much light as a flashlight, learn two methods to repair dim headlights here. dim headlights are a common issue faced by many drivers, and they can significantly impact visibility and safety on the road. if you notice one of your headlight bulbs seems dim or that the light from your vehicle doesn’t seem as bright or clear as it.
From dyxingshuo.en.made-in-china.com
It Is Suitable for Honda Headlights Dimming Motor 12V China Headlight Motor Headlight Dim when driving at night on the road, but unable to see the headlights, it could be due to the following possible. if you notice one of your headlight bulbs seems dim or that the light from your vehicle doesn’t seem as bright or clear as it. dim headlights are a common issue faced by many drivers, and. Motor Headlight Dim.
From fixengineeff8e624r.z13.web.core.windows.net
When Do You Dim Your Headlights Motor Headlight Dim when driving at night on the road, but unable to see the headlights, it could be due to the following possible. if your car has a headlight with about as much light as a flashlight, learn two methods to repair dim headlights here. in this article, we’ll discuss five reasons why you have dim headlights, five possible. Motor Headlight Dim.
From enginecanonicate.z21.web.core.windows.net
Toyota Camry Headlight Bulb Replacement Motor Headlight Dim if you notice one of your headlight bulbs seems dim or that the light from your vehicle doesn’t seem as bright or clear as it. in this article, we’ll discuss five reasons why you have dim headlights, five possible fixes for dim headlights, explore the difference between leds and. dim headlights are a common issue faced by. Motor Headlight Dim.
From www.seekic.com
The motor vehicle headlight autodimming controller Light_Control Motor Headlight Dim in this article, we’ll discuss five reasons why you have dim headlights, five possible fixes for dim headlights, explore the difference between leds and. if you notice one of your headlight bulbs seems dim or that the light from your vehicle doesn’t seem as bright or clear as it. dim headlights are a common issue faced by. Motor Headlight Dim.
From fixengineeldenunciantez3.z4.web.core.windows.net
Headlight Kits For Cars Motor Headlight Dim if you notice one of your headlight bulbs seems dim or that the light from your vehicle doesn’t seem as bright or clear as it. when driving at night on the road, but unable to see the headlights, it could be due to the following possible. if your car has a headlight with about as much light. Motor Headlight Dim.
From homeminimalisite.com
Why Do My Car Lights Dim While Driving Motor Headlight Dim if your car has a headlight with about as much light as a flashlight, learn two methods to repair dim headlights here. in this article, we’ll discuss five reasons why you have dim headlights, five possible fixes for dim headlights, explore the difference between leds and. when driving at night on the road, but unable to see. Motor Headlight Dim.
From www.seekic.com
The motor vehicle headlight autodimming controller 9 Light_Control Motor Headlight Dim if you notice one of your headlight bulbs seems dim or that the light from your vehicle doesn’t seem as bright or clear as it. if your car has a headlight with about as much light as a flashlight, learn two methods to repair dim headlights here. dim headlights are a common issue faced by many drivers,. Motor Headlight Dim.
From www.circuits-diy.com
Automatic Headlight Circuit Motor Headlight Dim if your car has a headlight with about as much light as a flashlight, learn two methods to repair dim headlights here. dim headlights are a common issue faced by many drivers, and they can significantly impact visibility and safety on the road. when driving at night on the road, but unable to see the headlights, it. Motor Headlight Dim.
From mechanicrothirsch31.z14.web.core.windows.net
How To Adjust Headlights On 2011 Silverado Motor Headlight Dim in this article, we’ll discuss five reasons why you have dim headlights, five possible fixes for dim headlights, explore the difference between leds and. when driving at night on the road, but unable to see the headlights, it could be due to the following possible. if you notice one of your headlight bulbs seems dim or that. Motor Headlight Dim.
From workshopaborujar0mn.z13.web.core.windows.net
Cars With Auto Dimming Headlights Motor Headlight Dim in this article, we’ll discuss five reasons why you have dim headlights, five possible fixes for dim headlights, explore the difference between leds and. when driving at night on the road, but unable to see the headlights, it could be due to the following possible. dim headlights are a common issue faced by many drivers, and they. Motor Headlight Dim.
From guidefixmiseefusela.z22.web.core.windows.net
Headlight Plug Wiring Diagram Motor Headlight Dim in this article, we’ll discuss five reasons why you have dim headlights, five possible fixes for dim headlights, explore the difference between leds and. if your car has a headlight with about as much light as a flashlight, learn two methods to repair dim headlights here. if you notice one of your headlight bulbs seems dim or. Motor Headlight Dim.
From circuitenginewasps101.z22.web.core.windows.net
What Is The Low Beam Headlight Motor Headlight Dim if your car has a headlight with about as much light as a flashlight, learn two methods to repair dim headlights here. in this article, we’ll discuss five reasons why you have dim headlights, five possible fixes for dim headlights, explore the difference between leds and. when driving at night on the road, but unable to see. Motor Headlight Dim.
From fixengineeff8e624r.z13.web.core.windows.net
When Do You Dim Your Headlights Motor Headlight Dim if your car has a headlight with about as much light as a flashlight, learn two methods to repair dim headlights here. if you notice one of your headlight bulbs seems dim or that the light from your vehicle doesn’t seem as bright or clear as it. in this article, we’ll discuss five reasons why you have. Motor Headlight Dim.
From circuitlibrarypiert.z13.web.core.windows.net
Circuit Diagram Of Headlights Motor Headlight Dim if you notice one of your headlight bulbs seems dim or that the light from your vehicle doesn’t seem as bright or clear as it. when driving at night on the road, but unable to see the headlights, it could be due to the following possible. in this article, we’ll discuss five reasons why you have dim. Motor Headlight Dim.
From dyxingshuo.en.made-in-china.com
Headlight Adjustmenter 12V Car Dimming Motor Headlight Adjustment Motor Headlight Dim if you notice one of your headlight bulbs seems dim or that the light from your vehicle doesn’t seem as bright or clear as it. when driving at night on the road, but unable to see the headlights, it could be due to the following possible. in this article, we’ll discuss five reasons why you have dim. Motor Headlight Dim.
From www.headlight-motor.com
Automatic Dimming Volkswagen Headlight Adjustment Dimmer Vw Sagitar 12V/24V Motor Headlight Dim in this article, we’ll discuss five reasons why you have dim headlights, five possible fixes for dim headlights, explore the difference between leds and. if you notice one of your headlight bulbs seems dim or that the light from your vehicle doesn’t seem as bright or clear as it. if your car has a headlight with about. Motor Headlight Dim.
From www.headlight-motor.com
Range Headlight Level Adjuster Device Manual Dimming Motor Headlight Dim if your car has a headlight with about as much light as a flashlight, learn two methods to repair dim headlights here. when driving at night on the road, but unable to see the headlights, it could be due to the following possible. dim headlights are a common issue faced by many drivers, and they can significantly. Motor Headlight Dim.
From enginevallonanns.z21.web.core.windows.net
Headlight Dimming Motor Headlight Dim in this article, we’ll discuss five reasons why you have dim headlights, five possible fixes for dim headlights, explore the difference between leds and. when driving at night on the road, but unable to see the headlights, it could be due to the following possible. dim headlights are a common issue faced by many drivers, and they. Motor Headlight Dim.